
Behöver du nya vinterdäck? Just nu erbjuder vi 15% rabatt på vinterdäck. Hos oss hittar du säkra och testade vinterdäck från ledande varumärken.
Erbjudandet gäller t.o.m. 2025-11-30.

Vi bjuder på första säsongens förvaring och du betalar endast för däckbytet på 495 kr.
Erbjudandet gäller nya kunder samt dig som inte har haft dina däck på Bilia däckhotell de senaste två säsongerna. Vi tar in dina däck för förvaring i samband med däckbytet.

Kom ihåg att när du handlar över 1.500 kr får du fri frakt till ombud.

Upptäck vårt sortiment, beställ hem och känn efter. Kom ihåg att du alltid har fri retur när du handlar på bilia.se.

Vi erbjuder hemleverans av en mängd olika produkter, däribland cykelhållare. Leveransavgift från 199 kr oavsett vart i Sverige du bor. Beställ hem och luta dig tillbaka, så sköter vi resten.

Rym upp till 30% mer packning med smarta väskpaket från KJUST.
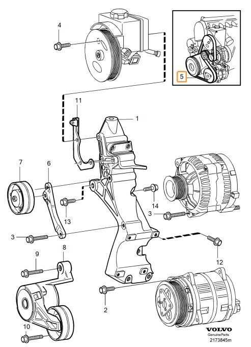
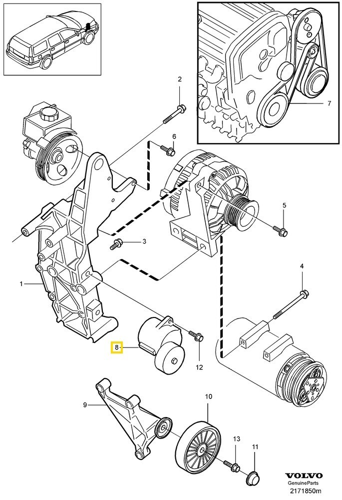
Motornr -1786810 (V50), Motorer tillverkade tom 23 juli 2011 (V60)
Kontakta din närmaste Bilia-anläggning för att beställa reservdelar till din bil. Våra anläggningar hittar du här: https://www.bilia.se/anlaggningar/
Servicedelar av bästa kvalité
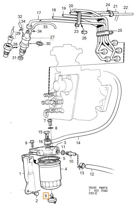
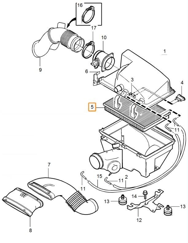
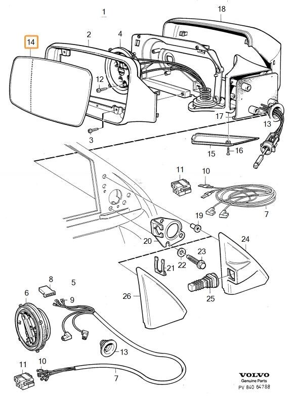
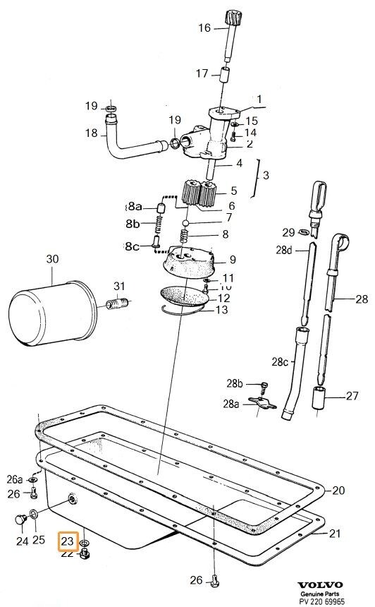
Vi på Bilia har ett brett sortiment av originalreservdelar för bästa kvalité, säkerhet och livslängd. Behöver du kanske byta oljefilter, kupéfilter eller luftfilter? Eller behöver du en tändstiftsats? Oroa dig inte, vi har delarna som du behöver. Hos oss hittar du även skruvar, packningar och tätningar, kamremmar, bränslefilter och oljetrågspackningar.
Dags att serva bilen?
Vi hjälper dig gärna att serva din bil. Här kan du boka tid för service.